您好,欢迎访问这里是四川亿耐德官网!
19115987809

INELTA力传感器

力传感器KMM60

产品详情: 力传感器带有4x90安装孔 受力方向 :压力受 力测量范围 :0.5 .. 10 kN 输出信号 :1.55%[mV / V] 线性偏差 :0.2 [%FS] 温度系数 :0.1 [%FS / 10K] 防护 等级:IP54 额定温度范围 :...
咨询热线:19115987809

产品介绍

产品详情:
力传感器KMM65

力传感器带有4x90°安装孔

受力方向:压力受
力测量范围:0.5 .. 10 kN
输出信号:1.5±5%[mV / V]
线性偏差:<0.2 [%FS]
温度系数:<0.1 [%FS / 10K]
防护等级:IP54
额定温度范围:-10 .. +70 [°C]

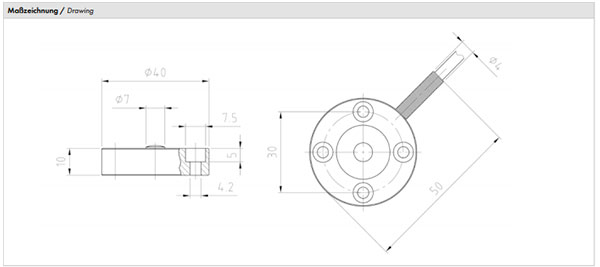
力传感器KMMM60尺寸

 


19115987809